Flachkopfschrauben - Vorteile und Anwendungsbeispiele
Flachkopfschrauben sind eine spezielle Art von Schrauben mit niedrigem, flachem Kopf. Bei Anwendungen, in denen der Schraubenkopf nicht weit über die Oberfläche herausragen darf, kommen sie zum Einsatz. Trotz niedriger Kopfhöhe bieten sie eine gleichmäßige Lastverteilung und minimieren so Punktbelastungen und Materialspannungen.
Flachkopfschrauben - Besonderheiten und Ausführungen
Flachkopfschrauben sind zunächst Schrauben, die mit einem abgeflachten Kopf konstruiert sind und so eine minimale Aufbauhöhe erreichen. International spricht man auch von "Low Profile Screws", vor allem bei Schrauben mit besonders flachem Kopf, die beispielsweise in der Mikroelektronik zum Einsatz kommen. Low-Profile-Schrauben haben oft einen größeren Kopfdurchmesser, um eine auf großer Fläche verteilte Klemmkraft zu gewährleisten.
Unterscheiden lassen sich Flachkopfschrauben anhand verschiedener Größen:
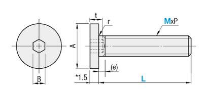
Kopfdurchmesser
Bestimmt die Auflagefläche und Lastverteilung in Abhängigkeit des Kopfdurchmessers. Je nach Gewindegröße liegt der Kopfdurchmesser von Flachkopfschrauben ungefähr beim 1,5- bis 2,5-fachen Nenndurchmesser der Schraube.
Kopfhöhe
Bestimmt, wie weit der Schraubenkopf über das Bauteil hinausragt. Flachkopfschrauben zeichnen sich durch die charakteristisch niedrige Kopfhöhe aus, die eine geringe Aufbauhöhe gewährleistet. Diese liegt meist bei 10 % bis 20 % des Gewindedurchmessers.
Gewindeart
Flachkopfschrauben gibt es mit verschiedenen Gewindearten, die je nach Einsatzgebiet unterschiedliche Eigenschaften aufweisen. Dazu gehören unter anderem Trapezgewinde mit hoher axialer Belastbarkeit, Selbstschneidende Gewinde, die ohne Gegengewinde auskommen und daher schnell zu montieren sind, sowie metrische ISO-Gewinde, die vor allem im Maschinenbau zum Einsatz kommen.
Antriebsprofil
Je nach Einsatzgebiet bieten sich Flachkopfschrauben mit unterschiedlichen Antriebsprofilen an. Für den einfachen Einsatz reichen oft Schlitzschrauben. Eine bessere Kraftübertragung bieten Kreuzschlitz, Innensechskant oder Innensechsrund (Torx), wobei Innensechsrundantriebe aufgrund ihrer speziellen Form besonders hohe Drehmomente bei kompakter Kopfform erlauben. Flachkopfschrauben sind außerdem mit Sicherheitsprofilen wie Innensechsrund mit Pin oder Tri-Wing erhältlich, die ein unbefugtes Lösen verhindern.
| Kopfform | Sechskantkopf | Sechskantkopf mit Bund | Sechskantkopf flach | Vierkantkopf |
| Beispielbild | ![]() |
![]() |
![]() |
![]() |
| Kopfform | Zylinderkopf | Zylinderkopf flach | Zylinderkopf extra flach | Zylinderkopf ultra flach |
| Beispielbild | ![]() |
![]() |
![]() |
![]() |
| Kopfform | Linsenkopf | Linsensenkkopf | Senkkopf | abgeflachter Linsenkopf (pan head) |
| Beispielbild | ![]() |
![]() |
![]() |
![]() |
| Kopfform | Rundkopf | Flachrundkopf | Flachrundkopf mit Vierkantansatz | Tellerschraube |
| Beispielbild | ![]() |
![]() |
![]() |
![]() |
| Kopfform | Rändelkopf groß | Rändelkopf | Kunststoffrändelkopf | Flügelkopf |
| Beispielbild | ![]() |
![]() |
![]() |
![]() |
| Antrieb | Sechskant | Innensechskant | Kreuzschlitz | Schlitz |
| Kopfform | ![]() |
![]() |
![]() |
![]() |
| Antrieb | Kombischlitz | Innensechsrund "Torx" | Pentalob | Trilobular |
| Kopfform | ![]() |
![]() |
![]() |
![]() |
| Antrieb | Innensechsrund security | Tri-Wing | Schlangenauge / 2 Bohrungen | Einweg (Einwegschlitz) |
| Kopfform | ![]() |
![]() |
![]() |
![]() |
| Gewindeende | flaches Ende | abgerundetes Ende | Ringschneide | Kegelspitze |
| Beispielbild | ![]() |
![]() |
![]() |
![]() |
| Gewindeende | Ende mit Zapfen | Ende mit Schoneinsatz (Metall Soft Tip) |
Ende mit Schoneinsatz (Kunststoff Soft Tip) |
|
| Beispielbild | ![]() |
![]() |
![]() |
Welche Vorteile bietet eine Flachkopfschraube?
Flachkopfschrauben bieten eine Reihe von Vorteilen:
- Platzersparnis: Geringe Kopfhöhe für kompakten Einsatz vor allem bei beengten Bauräumen
- Optimierte Lastverteilung: Der vergleichsweise große Kopfdurchmesser verteilt den Druck gleichmäßig und schont so das Material
- Hohe Scher- und Zugfestigkeit: Bei dynamischer Belastung sorgt die geringe Kopfhöhe für gute Stabilität
- Vibrationssicherheit: Beim Einsatz mit Klemmmechanismen wie Zahnscheiben oder Schraubensicherungen wird ein selbstständiges Lösen verhindert
- Materialvielfalt: Für unterschiedliche Einsatzgebiete z. B. aus Stahl, Kunststoff oder mit speziellen Beschichtungen erhältlich
- Komponentenersparnis: Ausführungen mit Flansch machen eine zusätzliche Unterlegscheibe überflüssig
- Senkbohren entfällt: Im Gegensatz zu Senkkopfschrauben benötigen Flachkopfschrauben keine Senkung im Material
Allerdings sind Flachkopfschrauben nicht für jede Anwendung geeignet, da sie auch einige Nachteile mit sich bringen. So bietet die geringere Kopfhöhe im Vergleich zu herkömmlichen Kopfhöhen von Schrauben weniger Vorspannkraft, was das maximal zulässige Anzugsmoment reduziert. Auch kann der flache Kopf sich leichter abnutzen und ist dann möglicherweise schwerer zu lösen, weil Werkzeuge abrutschen. In hochbelasteten Verbindungen sind deshalb gegebenenfalls andere Schraubentypen die bessere Wahl.
Flachkopfschraube vs. Senkkopfschraube - Was ist der Unterschied?
Während Flachkopfschrauben über eine plane Unterseite verfügen, mit der sie auf der Materialoberfläche aufliegen, haben Senkkopfschrauben eine kegelförmige Unterseite und lassen sich daher so ins Material versenken, dass sie bündig mit der Oberfläche des Werkstücks abschließen.
Senkkopfschrauben kommen deshalb dort zum Einsatz, wo die Schraube nicht über das Material hinausragen soll. Dafür ist allerdings eine Senkung im Material erforderlich, was etwa bei besonders dünnen Materialien oder elektrischen Komponenten nicht immer möglich ist. Hier eignen sich Flachkopfschrauben besser, die dank ihrer größeren Auflagefläche den Druck gleichmäßig verteilen, ohne das Material zu beschädigen.
DIN 7985 und JIS B 1111 - Flachkopfschrauben mit Kreuzschlitz
Die DIN 7985 ist eine etablierte Norm, nach der Linsenschrauben (Flachkopfschrauben) mit Kreuzschlitzantrieb gefertigt werden. Die Norm ist vom DIN (Deutschen Institut für Normung e. V.) wegen der Integration in einer globalen Normierung offiziell zurückgezogen und von DIN EN ISO 7045 - Flachkopfschrauben mit Kreuzschlitz, Form H oder Form Z - Produktklasse A ersetzt. Sie wird jedoch nach wie vor als Norm für Linsenschrauben herangezogen.
Ihre technischen Merkmale sind wie folgt:
- Kopfdurchmesser: Ca. 1,7-mal so groß wie der Gewindedurchmesser
- Kopfhöhe: Etwa 20 % des Nenndurchmessers
- Verfügbare Materialien: Edelstahl (A2, A4), Stahl (8,8, 10,9), Messing
- Anwendungsgebiete: Elektrotechnik, Maschinenbau, Möbelindustrie
Auch die JIS B 1111 beschreibt Schrauben mit Kreuzschlitzantrieb. Im Gegensatz zur ISO 7045 behandelt sie jedoch sowohl Schrauben mit Flach- als auch mit Senkkopf. Sie entspricht in vielen Aspekten der DIN 7985, weist jedoch auch einige Unterschiede auf. So ist der Kopfdurchmesser bei der JIS B 1111 etwas größer und die Kopfhöhe etwas flacher als bei der DIN 7985. Außerdem bezieht sich die JIS B 1111 auf das japanische JIS-Kreuzschlitzprofil, das etwas mehr Tiefe hat und schmaler gestaltet ist als Phillips oder Pozidriv und sich deshalb mit Standard-Phillips-Werkzeugen nur eingeschränkt lösen lässt.
Anwendungsbeispiele
Flachkopfschrauben haben vielfältige Einsatzgebiete. Sie finden beispielsweise Verwendung, wenn es um die präzise Positionierung von Bauteilen in Maschinen geht, insbesondere in CNC-Bearbeitungszentren und automatisierten Fertigungslinien.
Auch als Verbindungselemente für Abdeckungen und Rahmenkonstruktionen finden Flachkopfschrauben Einsatz im Maschinen- und Anlagenbau. Außerdem werden sie in der Elektrotechnik und Elektronik etwa zum Befestigen von Platinen und Gehäuseteilen mit niedriger Bauhöhe verwendet. Weitere Informationen zur hier dargestellten Anwenungsbeispiel finden sie in unserer MISUMI inCAD Library.






































