Profilschienenführungen - Präzisionsstandards von MISUMI-Profilschienenführungen
Was macht eine Profilschienenführung als Linearführung zur ersten Wahl für präzise und belastbare Bewegungssteuerung? In unserem Blog erfahren Sie alles über den Aufbau, die verschiedenen Ausführungen, Maßtoleranzen und die entscheidenden Parameter wie Laufparallelität, Vorspannung und Axialspiel. Wir zeigen auf, wie diese Eigenschaften perfekt zusammenspielen, um höchste Präzision und Langlebigkeit zu gewährleisten – und wie Sie diese Komponenten optimal auf Ihre Anforderungen abstimmen können.
Aufbau und Eigenschaften von Profilschienenführungen
Profilschienenführungen als eine Form von Linearführungen sind mechanische Führungssysteme, die in zahlreichen Maschinen und Anlagen eingesetzt werden, um präzise lineare Bewegungen zu ermöglichen. Sie zeichnen sich durch eine hohe Tragfähigkeit, Steifigkeit und Genauigkeit aus. Linearführungen gibt es in verschiedenen Konfigurationen, die sich hinsichtlich ihres Funktionsprinzips und ihrer Konstruktion unterscheiden. Die gebräuchlichsten Arten basieren auf Wälzkörpern, typischerweise Kugeln oder Rollen, die eine reibungsarme und hochpräzise Bewegung ermöglichen.
Linearführungen bestehen aus einer Profilschiene, einem Laufwagen und den darin enthaltenen Wälzkörpern. Die Profilschiene dient als präzise, lineare Führung und ist aus gehärtetem Stahl gefertigt, um hohe Belastungen und eine lange Lebensdauer zu gewährleisten.
Auf der Schiene befinden sich präzise geschliffene Laufbahnen, die den Kontakt zu den Wälzkörpern im Laufwagen herstellen. Der Laufwagen, der sich entlang der Schiene bewegt, ist die bewegliche Einheit der Führung. Er enthält die Kugelkäfige und Umlaufeinheiten, in welchen die Wälzkörper angeordnet sind. Die Wälzkörper ermöglichen eine nahezu reibungsfreie Bewegung. Je geringer die Reibung, desto ruhiger und präziser ist die Bewegung. Die Auswahl der richtigen Bauteiloberfläche beeinflusst daher maßgeblich die Reibung und Präzision von Profilschienenführungen.
Bei der Auswahl einer Profilschienenführung ist neben der geforderten Präzision einiges zu beachten. Mehr Informationen über die Auswahl und zu berücksichtigende Parameter finden Sie in unserem Blog Profilschienenführungen - Auswahlhilfe für Linearführungen.
Ausführungen von Profilschienenführungen
Profilschienenführungen gibt es in verschiedenen Ausführungen, zum Beispiel in Miniaturausführung oder solche für mittlere und schwere Lasten. Sie unterscheiden sich hauptsächlich hinsichtlich Bauweise, Tragfähigkeit und Einsatzgebiet, aber auch weiteren spezifischen Merkmalen. Je nach Einsatzbedingungen, wie hohen Lasten oder widrigen Umgebungen, eignen sich bestimmte Ausführungen besonders gut.
Miniatur-Linearführung
Miniatur-Linearführungen, auch Miniatur-Profilschienenführungen genannt, sind kleiner und kompakter als herkömmliche Profilschienenführungen. Sie sind optimal für enge Bauräume und Anwendungen mit begrenztem Platzangebot. Miniatur-Linearführungen sind aufgrund ihrer geringeren Tragfähigkeit für kleinere bis mittlere Belastungen ausgelegt.
Profilschienenführung für mittlere und hohe Lasten
Diese Profilschienenführungen können höhere Lasten und Momente aufnehmen. Sie sind robuster und so ausgelegt, dass sie hohe statische und dynamische Belastungen standhalten können.
Kosteneffiziente Profilschienenführungen
Der Unterschied zwischen kosteneffizienten Produkten und Standardprodukten liegt vor allem in der Ausrichtung auf unterschiedliche Prioritäten beim Zusammenspiel zwischen Kosten, Leistung und Qualität. Kosteneffiziente Produkte werden speziell entwickelt, um eine möglichst günstige Lösung für bestimmte Anforderungen zu bieten. Dabei wird oft auf hochgradig individualisierte oder überdimensionierte Eigenschaften verzichtet, die für die Zielanwendung nicht notwendig sind. Standardprodukte hingegen sind auf eine breitere Palette von Anwendungen ausgerichtet und entsprechen in der Regel etablierten Normen oder Markterwartungen. Sie sind so gestaltet, dass sie für eine Vielzahl von Kunden und Einsatzbereichen geeignet sind.
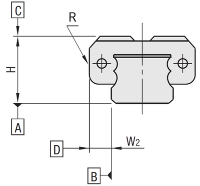
Präzision und Maßgenauigkeit von Profilschienenführungen
Die Maßgenauigkeit von Profilschienenführungen bezieht sich auf die präzise Einhaltung definierter Abmessungen und geometrischer Parameter, die ausschlaggebend für ihre Funktion, Montage und Leistung sind. Dabei ist Maßgenauigkeit ein wesentliches Qualitätsmerkmal einer Profilschienenführung, welches sicherstellt, dass ein Führungssystem reibungslos funktioniert und gleichzeitig die hohen Anforderungen an Präzision sowie Wiederholgenauigkeit in verschiedenen Anwendungen erfüllt werden.
- 🄰 - untere Referenzfläche (Schiene)
- 🄱 - seitliche Referenzfläche (Schiene)
- 🄲 - obere Referenzfläche (Führungswagen)
- 🄳 - seitliche Referenzfläche (Führungswagen)
- H - Höhe
- R - Referenzseite
- W2 - Breite
Profilschienenführungen werden in einer Vielzahl von Anwendungen eingesetzt, bei denen eine exakte Führung und Positionierung erforderlich ist. Häufigen Einsatz finden sie beispielsweise in Werkzeugmaschinen, Automatisierungsanlagen oder Robotiksystemen. Die Präzision einer Linearführung wird maßgeblich durch die Fertigungstoleranzen sowie die Paarung von Führungswagen und Schiene bestimmt. Die Einhaltung von Form- und Lagetoleranzen ist für die hohe Präzision und Steifigkeit von Linearführungen unerlässlich. Insbesondere die vertikale Höhe (H) zwischen der Schienenreferenzfläche 🄰 und der oberen Fläche des Führungswagens 🄲 sowie die laterale Position (W2) zwischen den seitlichen Referenzflächen von Schiene 🄱 und Wagen 🄳 sind dabei von maßgeblicher Bedeutung. Während die Höhe H die vertikale Genauigkeit und Stabilität beeinflusst, definiert die Breitenabweichung W2 die seitliche Präzision und Gleichmäßigkeit der Führung.
| Maßbereich | Reguläres (traditionelles) Produkt | Kosteneffizientes Produkt | ||
|---|---|---|---|---|
| Präzisionsklasse (Hoch) |
Präzisionsklasse (Medium) |
Präzisionsklasse (Standard) |
||
| Höhe H Toleranz | ±10 | ±20 | ±20 | ±40 |
| Höhe H (paarweise Varianz)* | 7 | 15 | 40 | 30 |
| Breite W2 Toleranz | ±15 | ±25 | ±25 | ±40 |
| Abweichung von W2 (paarweise Varianz)** | 10 | 20 | 40 | 30 |
| Maßbereich | Präzisionsklasse (Medium) |
Universaltoleranzklasse (Wagen und Schienen untereinander austauschbar) |
Präzisionsklasse (Standard) |
Kosteneffizientes Produkt | ||||||||||||||||||||||||||||||||||||||||||||||||||||||||||||||||||||||||||||||||||||||||||||||||||
|---|---|---|---|---|---|---|---|---|---|---|---|---|---|---|---|---|---|---|---|---|---|---|---|---|---|---|---|---|---|---|---|---|---|---|---|---|---|---|---|---|---|---|---|---|---|---|---|---|---|---|---|---|---|---|---|---|---|---|---|---|---|---|---|---|---|---|---|---|---|---|---|---|---|---|---|---|---|---|---|---|---|---|---|---|---|---|---|---|---|---|---|---|---|---|---|---|---|---|---|---|---|---|
| Höhe H Toleranz | ±40 | ±20 | ±100 | ±120 | ||||||||||||||||||||||||||||||||||||||||||||||||||||||||||||||||||||||||||||||||||||||||||||||||||
| Höhe H (paarweise Varianz)* | 15 | 15 | 20 | 40 | ||||||||||||||||||||||||||||||||||||||||||||||||||||||||||||||||||||||||||||||||||||||||||||||||||
| Breite W2 Toleranz | ±20 | ±30 | ±100 | ±100 | ||||||||||||||||||||||||||||||||||||||||||||||||||||||||||||||||||||||||||||||||||||||||||||||||||
| Abweichung vonW2 (paarweise Varianz der Grundgröße H)** | 24, 28 | 15 | 25 | 20 | 40 | |||||||||||||||||||||||||||||||||||||||||||||||||||||||||||||||||||||||||||||||||||||||||||||||||
| 33, 42 | 15 | 25 | 30 | 40 | ||||||||||||||||||||||||||||||||||||||||||||||||||||||||||||||||||||||||||||||||||||||||||||||||||
| 30, 36, 40, 42 | - | 25 | - | 40 | ||||||||||||||||||||||||||||||||||||||||||||||||||||||||||||||||||||||||||||||||||||||||||||||||||
| ||||||||||||||||||||||||||||||||||||||||||||||||||||||||||||||||||||||||||||||||||||||||||||||||||||||
Laufparallelität von Profilschienenführungen
Die Laufparallelität von Profilschienenführungen beschreibt, wie genau sich der Laufwagen entlang der von der Führungsschiene vorgegebenen Bahn bewegt. Dabei wird nicht nur der seitliche Lauf, sondern auch die Laufparallelität der Höhe betrachtet. Sie wird bei fest verschraubter Schiene gegen eine standardmäßige Bezugsfläche gemessen. Gemessen wird die relative Abweichung des Wertes über den gesamten Verfahrweg des Laufwagens auf der Schiene. Die maximale Abweichung des gemessenen Wertes vom erwarteten Wert (Sollwert) spiegelt die Laufparallelität wider. Je geringer diese Abweichung, desto höher die Präzision. Diese Eigenschaft ist entscheidend für Anwendungen, die hohe Präzision und Wiederholgenauigkeit erfordern, da schon kleine Abweichungen die Funktion oder Qualität des Gesamtsystems beeinträchtigen können.
|
Bild links: relative Abweichung der Fläche C oben am Führungswagen gegen die Fläche A unten an der Schiene |
Bild rechts: relative Abweichung der Referenzfläche D des Führungswagens gegen die Referenzfläche B der Schiene |
Laufparallelität bezeichnet die Abweichung des Laufwagens von der idealen Bewegungsbahn. Sie ist ein wesentlicher Qualitätsaspekt von Profilschienenführungen, der maßgeblich durch die Fertigung, Montage und den Untergrund beeinflusst wird. Diese Abweichung wird meist in Mikrometern (µm) angegeben.
| Laufparallelität Einheit: μm |
Miniaturausführung für gewöhnliche Lasten | Reguläre Ausführung für mittlere/ hohe Lasten | ||||||||||||||||||||||||||||||||||||||||||||||||||||||||||||||||||||||||||||||||||||||||||||||||||||
|---|---|---|---|---|---|---|---|---|---|---|---|---|---|---|---|---|---|---|---|---|---|---|---|---|---|---|---|---|---|---|---|---|---|---|---|---|---|---|---|---|---|---|---|---|---|---|---|---|---|---|---|---|---|---|---|---|---|---|---|---|---|---|---|---|---|---|---|---|---|---|---|---|---|---|---|---|---|---|---|---|---|---|---|---|---|---|---|---|---|---|---|---|---|---|---|---|---|---|---|---|---|---|
| Reguläres (traditionelles) Produkt | Kosteneffizientes Produkt | Reguläres (traditionelles) Produkt | Kosteneffizientes Produkt | |||||||||||||||||||||||||||||||||||||||||||||||||||||||||||||||||||||||||||||||||||||||||||||||||||
| Präzisionsklasse | Hoch | Medium | Standard | - | Medium | Austauschbar* | Standard | - | ||||||||||||||||||||||||||||||||||||||||||||||||||||||||||||||||||||||||||||||||||||||||||||||
| Schienenlänge (mm) | - | ≤50 | 2 | 3 | 13 | 13 | 7 | 6 | 7 | 10 | ||||||||||||||||||||||||||||||||||||||||||||||||||||||||||||||||||||||||||||||||||||||||||||
| >50 | ≤80 | 2 | 3 | 13 | 13 | 7 | 6 | 7 | 10 | |||||||||||||||||||||||||||||||||||||||||||||||||||||||||||||||||||||||||||||||||||||||||||||
| >80 | ≤125 | 3 | 7 | 15 | 15 | 7 | 6.5 | 7 | 10 | |||||||||||||||||||||||||||||||||||||||||||||||||||||||||||||||||||||||||||||||||||||||||||||
| >125 | ≤200 | 3 | 7 | 15 | 15 | 7 | 7 | 7 | 10 | |||||||||||||||||||||||||||||||||||||||||||||||||||||||||||||||||||||||||||||||||||||||||||||
| >200 | ≤250 | 3.5 | 9 | 17 | 17 | 7 | 8 | 7 | 10 | |||||||||||||||||||||||||||||||||||||||||||||||||||||||||||||||||||||||||||||||||||||||||||||
| >250 | ≤315 | 4 | 11 | 18 | 18 | 8 | 9 | 12 | 10 | |||||||||||||||||||||||||||||||||||||||||||||||||||||||||||||||||||||||||||||||||||||||||||||
| >315 | ≤400 | 5 | 11 | 18 | 18 | 8 | 11 | 12 | 12 | |||||||||||||||||||||||||||||||||||||||||||||||||||||||||||||||||||||||||||||||||||||||||||||
| >400 | ≤500 | 5 | 12 | 19 | 19 | 9 | 12 | 14 | 13 | |||||||||||||||||||||||||||||||||||||||||||||||||||||||||||||||||||||||||||||||||||||||||||||
| >500 | ≤630 | 6 | 13.5 | 21 | 21 | 11 | 14 | 18 | 15 | |||||||||||||||||||||||||||||||||||||||||||||||||||||||||||||||||||||||||||||||||||||||||||||
| >630 | ≤800 | 6 | 14 | 21.5 | 21.5 | 13 | 16 | 21 | 17 | |||||||||||||||||||||||||||||||||||||||||||||||||||||||||||||||||||||||||||||||||||||||||||||
| >800 | ≤1000 | - | 14.5 | 18 | 23 | 19 | ||||||||||||||||||||||||||||||||||||||||||||||||||||||||||||||||||||||||||||||||||||||||||||||||
| >1000 | ≤1250 | - | 16 | 20 | 25 | 22 | ||||||||||||||||||||||||||||||||||||||||||||||||||||||||||||||||||||||||||||||||||||||||||||||||
| >1250 | ≤1600 | - | - | 23 | 27 | 23 | ||||||||||||||||||||||||||||||||||||||||||||||||||||||||||||||||||||||||||||||||||||||||||||||||
| >1600 | ≤2000 | - | - | 26 | 28.5 | 24 | ||||||||||||||||||||||||||||||||||||||||||||||||||||||||||||||||||||||||||||||||||||||||||||||||
| ||||||||||||||||||||||||||||||||||||||||||||||||||||||||||||||||||||||||||||||||||||||||||||||||||||||
Die richtige Vorspannung von Linearführungen
Axialspiel und Vorspannung sind zentrale Begriffe bei Linearführungen, die die Genauigkeit, Steifigkeit und das Verhalten des Systems während der Bewegung beeinflussen. Axialspiel bezeichnet den kleinen Bewegungsfreiraum, den der Laufwagen entlang der Linearführungsschiene besitzt, bevor die Wälzkörper Kontakt zu den Laufbahnen aufnehmen. Es handelt sich um eine relative Bewegung, die durch Fertigungstoleranzen oder Montagefehler entstehen kann. Axialspiel führt zu einer verminderten Positioniergenauigkeit und geringerer Steifigkeit der Führung.
Vorspannung ist der gezielte Druck, der auf die Wälzkörper einer Profilschienenführung ausgeübt wird, um jegliches Axialspiel zu vermeiden. Dies wird durch einen engen Kontakt zwischen den Wälzkörpern und den Laufbahnen erreicht. Die Kontaktpunkte zwischen den Kugeln und den Laufbahnen bestimmen die Kräfte, die auf die Kugeln wirken, und somit die Bewegungscharakteristik des Systems. Durch kleine Veränderungen des Kugeldurchmessers wird die Position der Kugeln innerhalb der Laufbahnen beeinflusst.
Im Allgemeinen hat die Auswahl einer geeigneten Vorspannung viele positive Auswirkungen auf die Leistung der Profilschienenführung. Sie trägt wesentlich dazu bei, das System präziser zu machen, indem unerwünschte Bewegungsfreiräume eliminiert werden. Zudem wird durch die gleichmäßigere Lastverteilung auf die Wälzkörper der Verschleiß reduziert, was sich wiederum positiv auf die Lebensdauer der Führung auswirkt.
| Ausführung | Prdukttyp | Vorspannung | Größe (Wert für Höhe H) |
Radiales Spiel (μm) |
|---|---|---|---|---|
| Miniaturausführung für gewöhnliche Lasten | Reguläres (traditionelles) Produkt | Leichte Vorspannung | 6 bis 20 | -3 bis 0 |
| Leichtes Spiel | 0 bis +15 | |||
| Kosteneffizientes Produkt | Normales Spiel | -3 bis +7 | ||
| Reguläre Ausführung für mittlere/ hohe Lasten | Reguläres (traditionelles) Produkt | Normales Spiel | 24 | -4 bis +2 |
| 28 | -5 bis +2 | |||
| 33 | -6 bis +3 | |||
| Austauschbar*, leichte Vorspannung | 24, 28 | -4 bis 0 | ||
| 30, 36, 40, 42 | -5 bis 0 | |||
| **42 | -7 bis 0 | |||
| Kosteneffizientes Produkt | Normales Spiel | 24 | -4 bis +4 | |
| 28, 30 | -5 bis +5 | |||
| 33, 36, 40 | -6 bis +6 | |||
| 45 | -7 bis +7 |
Profilschienenführungen von MISUMI
MISUMI bietet hochwertige Profilschienenführungen mit Wälzkörpern an, die individuell angepasst werden können. Ein spezielles Konfigurationstool ermöglicht, aus unterschiedlichen Last- und Momentaufnahmen, maßgeschneiderten Laufwagen-Ausführungen, flexiblen Montagehöhen sowie verschiedenen Präzisionsklassen auszuwählen. Auch die Schienen sind in variablen Längen und Breiten verfügbar, um individuelle Platz- und Konstruktionsanforderungen optimal zu erfüllen. Mit MISUMI können Sie die perfekte Lösung für Ihre Anwendung gestalten.
Unsere Führungswagen und Schienen werden so gefertigt, dass sie als Sätze perfekt aufeinander abgestimmt sind und dadurch ihre spezifischen Radialabstände (Vorspannung) sowie die definierten Toleranzen zuverlässig einhalten. Diese präzise Abstimmung stellt sicher, dass die Führungswagen und Schienen optimal miteinander harmonieren und die gewünschten Leistungsparameter wie Steifigkeit, Tragfähigkeit und Präzision voll erfüllt werden. Es ist daher essenziell, Führungswagen und Schienen immer als abgestimmte Sätze zu verwenden, um die Funktion und Qualität der Profilschienenführung zu gewährleisten. Ausgenommen hiervon sind Produkte, die in einer Universaltoleranzklasse gefertigt sind und ausdrücklich als "austauschbar" gekennzeichnet wurden. Diese sind so konstruiert, dass sie unabhängig von der Kombination von Schiene und Führungswagen innerhalb der angegebenen Toleranzen arbeiten und somit eine flexible Nutzung ermöglichen.
Informationen zur Montage und Wartung von Profilschienenführungen finden Sie in unserem Blog Profilschienenführungen - Montage und Wartung von Linearführungen.