Darstellung von Gewinden in technischen Zeichnungen

Die korrekte Darstellung von Gewinden in technischen Zeichnungen dient als Basis in der technischen Kommunikation zwischen den beteiligten Gewerken. Umfangreiche Informationen können übersichtlich und international verständlich dargestellt werden und unterstützen so den reibungslosen Ablauf in der mechanischen Fertigung, Produktion und Montage. In diesen Artikel erfahren Sie wie Gewinde und Bohrungen im Maschinenbau detailliert dargestellt werden.

Was ist ein Gewinde?

Ein Gewinde ist eine Einkerbung bzw. Struktur, die gleichmäßig spiralförmig im Kreis umlaufend geführt ist. Bei einem Außengewinde ist das Gewinde auf einem zylindrischen oder kegeligen Schaft aufgebracht. Bei einem Innengewinde hingegen verläuft das Gewinde in der Wandung einer Bohrung. Die aufeinander abgestimmte Geometrie von Innen- und Außengewinde ermöglicht es, Bauteilkombinationen mit gleichem Gewinde miteinander zu verschrauben und eine wieder lösbare Verbindung herzustellen. Gewinde ermöglichen zudem die Umwandlung einer Rotationsbewegung in eine lineare Bewegung.

Darstellung einer Gewindepaarung mit einer Schraube in einer Bohrung.
Darstellung einer Gewindepaarung mit einer Schraube in einer Bohrung.

Gewindearten

Es gibt verschiedene Arten von Gewinden, welche nach ihrer Hauptfunktion in Hauptgruppen unterteilt werden können. Die meisten Gewindearten erfordern eine spezielle Zeichnungsmethode. Grundsätzlich können Gewinde nach ihrer Funktion eingruppiert werden. Dabei wird unter Gewinden für Befestigung, Bewegung und Transport unterschieden.

Außerdem gibt es verschiedene Gewindenormen:

  • Metrische ISO-Gewinde, weltweiter Standard
  • NPT-Gewinde (National Pipe Threads) US-amerikanischer Standard
  • BSP-Gewinde (British Standard Pipes), britischer Standard
  • Whitworth-Gewinde (BSW), auch Zoll-Gewinde genannt
  • JPT (Japanese Pipe Threads), japanischer Industriestandard JIS.
Abbildung eines metrischen Gewindes
Abbildung eines metrischen Gewindes
  • 1. - Innengewinde
  • 2. - Außengewinde
  • 3. - Mittellinie der Gewindesteigung
  • D1 - Kernlochdurchmesser des Innengewindes
  • d2/D2 - Flankendurchmesser
  • d/D - Gewinde-Nenndurchmesser

Verschiedene Gewindearten und ihre Anwendung in Maschinenbau

Befestigungsgewinde kommen aufgrund ihres speziell geformten Profils zur Anwendung, wenn Bauteile oder Komponenten fest miteinander verbunden werden sollen. Die häufigsten Profile der Befestigungsgewinde sind das metrische Gewinde, das NPT-Gewinde und das Whitworth-Gewinde.

Bewegungsgewinde dienen in erster Linie der Übermittlung von Bewegungen und Kräften. Ihre Hauptaufgabe liegt darin, eine drehende Bewegung in lineare Bewegungen umzusetzen und umgekehrt. Sie können hohe Lastübertragung bei gleichzeitig geringer Reibung realisieren. Die gängigsten Arten von Bewegungsgewinden sind Trapezgewinde (zur Übertragung axialer Kräfte), Sägengewinde (z.B. für Antriebe in Fräsmaschinen oder Pressen) und Kugelrollengewinde (z.B. in CNC-Maschinen und Robotik).

Beispiel eines Bewegungsgewindes - das Trapezgewinde
Beispiel eines Bewegungsgewindes - das Trapezgewinde
  • 1. - Mittellinie der Gewindesteigung
  • D1 - Kernlochdurchmesser des Innengewindes
  • d2/D2 - Flankendurchmesser
  • d/D - Gewinde-Nenndurchmesser

Transportgewinde sind spezielle Gewindeformen, welche für das schnelle Bewegen von Materialien oder Komponenten in einer axialen Richtung entwickelt wurden. Der Vorteil gegenüber Förderbändern ist, dass die Steigungswinkel größer sein können und so auf kurzer Strecke große Höhenunterschiede überwunden werden können. Transportgewinde werden z.B. in Maschinen zur Materialverarbeitung eingesetzt.

Grundlagen der Gewindedarstellung in technischen Zeichnungen

Eine technische Zeichnung ist die zweidimensionale Darstellung von Bauteilen, Baugruppen oder kompletter Produkte mit Angabe allen notwendigen Details für den Betrachter. Die Darstellung und Detailgenauigkeit hängen dabei von der geplanten Verwendung ab.

Mit Einführung von CAD (Computer Aided Design) werden die Modelle der Bauteile erst digital erstellt und aus dem 3D-Modell die notwendigen technischen Zeichnungen abgeleitet. Für bessere und schnellere Lesbarkeit wird häufig eine ISO-Ansicht in 3D hinzugefügt.

Damit technische Zeichnungen klar und verständlich sind, ist es notwendig, das dargestellte Teil so detailliert wie möglich darzustellen. Die Darstellung ist für jedes Land genormt und kann von Land zu Land variieren. Deshalb ist es wichtig, dass die zutreffenden Normen vom Ersteller umgesetzt werden. Die technische Darstellung, Beschriftung und Bemaßung muss funktions-, fertigungs- sowie prüfungsorientiert sein.

Gewinde kann man in technischen Zeichnungen in 3D (zur Orientierung) und 2D (mit allen technischen Details) darstellen.

2D-Darstellung von Gewinden in technischen Zeichnungen

Gewindeprofile sind komplexe und genormte Geometrien. In technischen Zeichnungen werden diese Details nur vereinfacht aus Volllinien mit definierender Bezeichnung dargestellt, um die Zeit beim Erstellen und beim Lesen zu reduzieren.

Die Gewindebohrung kann technisch nicht auf der gesamten Länge der Bohrung geschnitten werden. Ebenso nutzt die Schraube auch nicht die volle Länge des Gewindes. Für die Darstellung wird der Gewindeauslauf in der DIN 76 genormt.

Die DIN 76 gibt in Tabellen die Länge des Restgewindes a1 (Abstand Schraubenende bis Gewindeende) und die Länge der Bohrung ohne Gewinde e1 an. Wenn es keine detaillierten Anforderungen gibt, dann ist a1 das dreifache der Steigung des Gewindes. Die Länge e1 entspricht ungefähr dem Zweifachen von a1, also ungefähr der sechsfachen Steigung des Gewindes.

Die Darstellung und Bemaßung von Gewinden ist zur einheitlichen Verwendung genormt. Gewinde in Bohrungen werden in der Seitenansicht bevorzugt im Schnitt durch Ausbrüche dargestellt.

Im MISUMI-Shop finden Sie eine große Auswahl an Schrauben und Gewindebolzen, sowie Muttern. Besuchen Sie unseren Shop und wählen Sie zwischen Zylinderschrauben, Senkkopfschrauben, Gewindestiften und vielen anderen Produktkategorien aus.

Darstellung von Außengewinden

Bei Außengewinden, z.B Schrauben, werden die äußeren Gewindeseiten und die Gewindebegrenzung mit einer breiten Volllinie gekennzeichnet. Die Enden der Gewinde werden als Kegelkuppen mit einer 45-Grad-Phase dargestellt, (um die typische Form der Gewindespitzen zu vermitteln). Die Darstellung der Gewindekernlinie erfolgt als schmale Volllinie. Bei einer Frontaleinsicht wird die Kernlinie häufig als 3/4-Kreis mit schmaler Volllinie gezeichnet, um den Durchmesser des Gewindekerns deutlich zu machen. In technischen Zeichnungen werden Schrauben ungelängt und mit Anschlag des Kopfes auf dem Bauteil dargestellt.

Darstellung eines Außengewindes am Beispiel einer Sechskantschraube mit Schaft
Darstellung eines Außengewindes am Beispiel einer Sechskantschraube mit Schaft

Darstellung von Innengewinden

Bei der Darstellung von Innengewinden wird unterschieden zwischen der Darstellung im geschnittenen Zustand (bevorzugt, Gewindekernloch, Gewindeabschlusslinie mit breiten Volllinien, Gewindedurchmesser mit schmalen Volllinien) und ungeschnittener Seitenansicht (Gewindekernloch, Gewindeabschlusslinie, Gewindedurchmesser mittels schmaler Strichlinien).

Innengewinde im ungeschnittenen Zustand mit verdeckten Kanten
Innengewinde im ungeschnittenen Zustand mit verdeckten Kanten

Bei einer Draufsicht wird der Gewindedurchmesser als 3/4-Kreis mit einer schmalen Volllinie gezeichnet.

Gewindedarstellung in der Draufsicht
Gewindedarstellung in der Draufsicht

Darstellung von Fasen, Senkungen und Normteilen in technischen Zeichnungen

Im Zusammenhang mit Gewinden werden häufig Fasen und Senkungen, sowie Normteile verwendet. Fasen reduzieren unter anderem das Verletzungsrisiko und verbessern die Montierbarkeit. Senkungen haben die Aufgabe den Übergang zwischen zwei Durchmessern zu realisieren oder ermöglichen das Versenken von Schraubköpfen in Oberflächen. Die Darstellung dieser Konstruktionselemente in technischen Zeichnungen wird wie folgt umgesetzt:

  • Fasen werden durch eine schräge Linie dargestellt, die den Winkel der Fase repräsentiert. Bemaßt wird mit der Länge der Fase und dem Winkel oder der Tiefe der Fase. Zum Beispiel bedeutet eine Bemaßung wie „2 x 45°“, dass die Fase 2 mm breit und lang, sowie 45° angeschrägt ist.
  • Senkungen werden in der Draufsicht durch zwei konzentrische Kreise dargestellt, wobei der äußere Kreis den größten Durchmesser der Senkung und der innere Kreis das eigentliche Loch repräsentiert. In der Seitenansicht wird die Senktiefe und Senkwinkel oder der Außendurchmesser und Senkwinkel angegeben.
  • Normteile werden üblicherweise nicht geschnitten dargestellt, da ihre Abmessungen und Form durch festgelegte Normen allgemein bekannt sind. Die Bemaßung eines Normteils erfolgt mit einer Hilfslinie.
Darstellung von Bohrungen mit Senkungen - links 45° mit Gewinde, rechts 90° ohne Gewinde
Darstellung von Bohrungen mit Senkungen - links 45° mit Gewinde, rechts 90° ohne Gewinde

In Stücklisten werden Gewinde häufig nur als Normteile genannt. Mit einer Bezeichnung aufgelistet kann so die Art, Größe und weitere spezifische Merkmale eines Gewindes eindeutig identifiziert werden. Diese Bezeichnungen beinhalten in der Regel den Typ des Gewindes, den Nenndurchmesser und die Steigung. Bei speziellen Gewindearten können zusätzliche Informationen wie die Gewindeklasse oder die Toleranz erforderlich sein. Eine korrekte und einheitliche Darstellung von Gewinden in Stücklisten ist essenziell. Nur so können Fehlinterpretationen bei der Herstellung oder Montage vermieden und die korrekte Beschaffung von Verbindungselementen gewährleistet werden.

Gewindebemaßung in technischen Zeichnungen

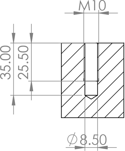
Die Bemaßung von Gewinden in technischen Zeichnungen erfolgt nach DIN 406, DIN ISO 6410. Gewinde werden mit einem Maßtext bemaßt, der alle notwendigen Angaben enthalten muss. Die Gewindekennzeichnung erfolgt anhand des Gewindedurchmessers, der auch als Nenndurchmesser bekannt ist. Die am meisten verwendete Kennzeichnung ist die des metrischen ISO-Gewinde mit einem großen M vor dem Durchmesser. Bei Feingewinden wird zusätzlich zur Nenndurchmesserangabe auch die Steigung des Gewindes angegeben (z.B. M6x0,25).

Bemaßung einer Sackbohrung mit Innengewinde
Bemaßung einer Sackbohrung mit Innengewinde

Die Bemaßung des Gewindes erfolgt mit Hilfslinien. Die Länge wird parallel zur Mittellinie der Bohrung, außerhalb der Bohrung gekennzeichnet. Der Gewindedurchmesser und notwendige Zusatzparameter, wie bspw. Feingewinde oder Linksgewinde, werden senkrecht oder rechtwinklig zur Mittellinie bemaßt. Bei technischen Zeichnungen sind kurze Hilfslinien grundsätzlich zu bevorzugen, aber nach Möglichkeit außerhalb von Bauteilen zu platzieren.

3D-Darstellung von Gewinden in technischen Zeichnungen

Die 3D-Darstellung von Bauteilen und Baugruppen ist in der Regel eine Ergänzung oder wird in Präsentationen oder anderen Inhalten des Marketings verwendet. 3D-Darstellungen in technischen Zeichnungen beinhaltet keine neuen, sondern nur redundante Informationen.

Bei der 3D-Modellierung werden Gewinde häufig nur vereinfacht dargestellt. Um die Dateigröße und Rechenzeit zu minimieren, geben diese vereinfachten Modelle, auch „kosmetische Gewinde“ genannt, nur einen vereinfachten Umriss ohne exakte Form wieder.

Schraube mit kosmetischer Gewindedarstellung
Schraube mit kosmetischer Gewindedarstellung